JSJ-4交流斷電延時繼電器技術要求及主要性能-上海上繼科技有限公司
發表時間:2020-05-16 10:33 瀏覽次數:1014 〖返回〗一、JSJ-4交流斷電延時繼電技術要求
5.1額定電壓:交流380V、220V、110V、100V。
5.2額定頻率: 50Hz或60Hz。
5.3保證繼電器觸點可靠通電動作所需電壓不大于70%額定電壓。
5.4保證繼電器可靠斷電返回的電壓不小于10%額定電壓 。
5.5在額定電壓下繼電器斷電延時返回的延時誤差,在整定范圍內不超過0.1%整定值+10ms。
5.6在額定電壓下繼電器斷電延時的變差不超過0.1%額定值+10ms。變差是指繼電器在同一時間整定點上測量五次,實測時間的**值與最小值之差。
5.7兩付延時返回的觸點可各自獨立整定,時間整定范圍均為0.02s-9.99s,而延時整定值可以不同或相同。
5.8在額定電壓下繼電器消耗的功率不大于4VA。
5.9繼電器允許長期承受110%額定電壓。
5.10繼電器在電壓不大于250V、電流不大于1A(時間常數T=5ms±0.75ms直流有感電路中) ,觸點斷開容量為30W,在電壓不大于250V,電流不大于1A,功率因素COS(p=0.4±0.1的交流電路中,觸點斷開容量為150VA。
5.11繼電器各電路與外露的非帶電金屬部分之間應能承受有效值2kV,輸入電路和觸點之間應能承受1?, 50Hz交流電壓,歷時1min實驗,應無絕緣擊穿或閃絡現象。
5. 12繼電器能在-10°C~40°C溫度范圍內可靠工作。
5.13繼電器機械壽命105次,電壽命104次。

二、JSJ-4交流斷電延時繼電背面接線圖
JSJ-4交流斷電延時繼電器的接線端子圖如圖3所示,圖中觸點為繼電器失電后的狀態,當加上額定交流電壓時.瞬動觸點K3、延時時間為t1的觸點K1和延時時間為t2的觸點K2同時動作,此時觸點狀態與圖3所示相反。當所加電壓突然斷電(失壓)時,瞬動觸點K3立即返回,延時觸點K1在斷電后延時t1才返回,同樣延時觸點K2在斷電后延時t2才返回,返回后觸點狀態如圖3所示。

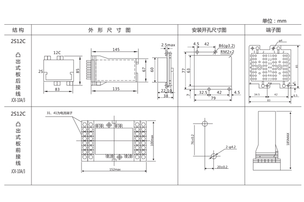
三、JSJ-4交流斷電延時繼電外形及開孔尺寸

公司介紹:上海上繼科技有限公司是一家專業從事電力系統繼電保護及智能電網電力自動化產品的研發、設計、生產、銷售和服務為一體的高科技公司。擁有資深繼電保護專家團隊和國內**的檢測儀器及校驗設備。同時還引用國內外先進技術,來進行技術創新。本公司的產品廣泛用于電力、工礦、鐵路、建筑等國家重大工程輸配變電系統上,產品遠銷東南亞及中東地區。產品通過國家繼電保護及自動化設備質量監督檢驗中心檢測,獲得ISO-9001:2000國際質量體系認證。“科技創新,誠信務實”是公司的經營理念,本公司以高超的技術支持和對用戶高度負責的售后服務贏得了輸配電成套企業的信賴,且樹立了良好的信譽。
上海上繼科技有限公司(專注電力保護繼電器生產廠家)銷售熱線:021-57233089 QQ:1932551438
{以上內容僅供參考,上海上繼科技有限公司有最終解釋權}
更多繼電器精彩文章——DZS-16BG中間繼電器參數及開孔尺寸





